TN516-JIC 1.7/8"-М48х2

По запросу

В наличии

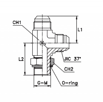
TN516 Поворотный регулируемый тройник (штуцер с контргайкой в тело с боку). Резьбовое соединение - тройник с дюймовой UNF наружной резьбой и конусом 37° с двух сторон по DIN3852 и с наружной метрической резьбой в тело с боку, притягивается и регулируется угол разворота тройника с помощью контргайки. Поставляется без втулок и гаек (для поставки в комплекте просьба указывать - в сборе).
Резьба 1: 1.7/8"-12UNF
Резьба 2: 1.7/8"-12UNF
Производитель: DICSA
Максимальное рабочее давление (bar): 350 бар
CAST: 205109.3
NONAME: AJJH-24-24-48OG
HANSA-FLEX: L HMOK 48 HJ 24
FOR: A113036/3848
Резьба 3: M48x2

Сортировать по:

Пока никто не написал комментариев к этому товару.

Приносим свои извинения, если:
описание, габариты, комплект поставки, технические характеристики, страна производства, коды производителей, внешний вид в описании и цвет товара оказались неточными. Просим Вас требовать у продавца предоставление дополнительной технической документации или проверки в Вашем присутствии или удаленно комплектации, а также наличие и работоспособность как интересующих Вас в товаре функций, так и товара в целом, до его оплаты.


Добро пожаловать в каталог «РВД3А». На этой странице вы можете узнать все подробности о выбранной вами позиции нашего ассортимента. Ознакомьтесь и с другими нашими товарами мы предлагаем широкий ассортимент гидравлических компонентов высочайшего качества, подходящих для широкого спектра применений в различных отраслях.

Доставка и способы заказа

Мы понимаем, насколько важно для наших клиентов получить заказанный товар вовремя и в идеальном состоянии. Поэтому «РВД3А» предлагает различные варианты доставки для жителей города Москва и других регионов. Вы можете выбрать удобный для вас способ доставки — от экспресс-доставки до эконом-вариантов.

Чтобы оформить заказ вы можете связаться с нашими менеджерами по телефонам: 

8 (499) 745-00-25

8 (905) 780-52-42

Или по электронной почте info@rvd3a.ru. Наша команда специалистов работает по графику: 

Пн. Чт.: с 9:00 до 17:00; Пт.: с 9:00-16:00 (Сб.,Вс. и праздничные дни - выходной)

Наши специалисты с удовольствием помогут вам с выбором и ответят на любые вопросы относительно спецификации, применения и наличия товара в городе Москва.

Обратная связь и консультации

Мы ценим каждого клиента и стремимся предоставить исключительный уровень сервиса. Если у вас есть вопросы относительно TN516-JIC 1.7/8"-М48х2 или вам необходима помощь в выборе подходящего решения для вашей гидравлической системы, не стесняйтесь обращаться к нам за бесплатной консультацией. Даже если ваше обращение поступит в нерабочие часы, специалисты РВД3А ответят вам в кратчайшие сроки.

Подписывайтесь

Узнавайте свежую информацию о скидках и акциях первым