Гидрозамок модульный CETOP 5 в канал "A" VP-NОV-10-EA

По запросу

В наличии

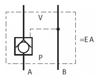
Гидрозамки позволяют автоматически пропускать
поток рабочей жидкости в одном направлении, а при наличии управляющего воздействия - пропускать поток в обоих направлениях. Поток всегда проходит свободно при подводе со стороны клапана "V" к стороне "P" монтажной плиты. При движении потока в противоположном направлении гидрозамок запирает поток. Свободный поток в канале А от P к V достигается за счет давления в канале В, и наоборот. Двухсторонний гидрозамок обеспечивает герметичность в магистралях А и В, то есть, исключает утечки рабочей жидкости на слив Т при нейтральном положении золотника гидрораспределителя.
Производитель: KLADIVAR
Максимальное рабочее давление (bar): 315 бар
Пропускная способность (л/мин): 50 л/мин
Давление открытия (bar): 4 бар

Сортировать по:

Пока никто не написал комментариев к этому товару.

Приносим свои извинения, если:
описание, габариты, комплект поставки, технические характеристики, страна производства, коды производителей, внешний вид в описании и цвет товара оказались неточными. Просим Вас требовать у продавца предоставление дополнительной технической документации или проверки в Вашем присутствии или удаленно комплектации, а также наличие и работоспособность как интересующих Вас в товаре функций, так и товара в целом, до его оплаты.


Добро пожаловать в каталог «РВД3А». На этой странице вы можете узнать все подробности о выбранной вами позиции нашего ассортимента. Ознакомьтесь и с другими нашими товарами мы предлагаем широкий ассортимент гидравлических компонентов высочайшего качества, подходящих для широкого спектра применений в различных отраслях.

Доставка и способы заказа

Мы понимаем, насколько важно для наших клиентов получить заказанный товар вовремя и в идеальном состоянии. Поэтому «РВД3А» предлагает различные варианты доставки для жителей города Москва и других регионов. Вы можете выбрать удобный для вас способ доставки — от экспресс-доставки до эконом-вариантов.

Чтобы оформить заказ вы можете связаться с нашими менеджерами по телефонам: 

8 (499) 745-00-25

8 (905) 780-52-42

Или по электронной почте info@rvd3a.ru. Наша команда специалистов работает по графику: 

Пн. Чт.: с 9:00 до 17:00; Пт.: с 9:00-16:00 (Сб.,Вс. и праздничные дни - выходной)

Наши специалисты с удовольствием помогут вам с выбором и ответят на любые вопросы относительно спецификации, применения и наличия товара в городе Москва.

Обратная связь и консультации

Мы ценим каждого клиента и стремимся предоставить исключительный уровень сервиса. Если у вас есть вопросы относительно Гидрозамок модульный CETOP 5 в канал "A" VP-NОV-10-EA или вам необходима помощь в выборе подходящего решения для вашей гидравлической системы, не стесняйтесь обращаться к нам за бесплатной консультацией. Даже если ваше обращение поступит в нерабочие часы, специалисты РВД3А ответят вам в кратчайшие сроки.

Подписывайтесь

Узнавайте свежую информацию о скидках и акциях первым